Stratified Hot Water Storage Tank Example
This example shows how to model a hot water storage tank with temperature variations from top to bottom. The tank has a cold water inlet on the bottom and a hot water outlet on the top. This design allows the top of the tank and the outgoing water to remain hot even as the tank refills and cools the bottom of the tank.
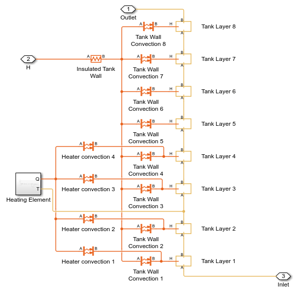
The tank is modeled using eight discrete layers to capture the temperature gradients. Each tank layer is modeled by a custom Simscape™ component. The custom Simscape components are modified constant volume chamber blocks that include the effects of the elevation change from one port to the other, including hydrostatic pressure and convection due to buoyant circulation. To simplify the calculation, the components do not compute the mass transfer due to buoyant circulation and only calculate the effective energy transfer due to fluid of different temperatures entering and leaving the tank layer. The components approximate energy transfer due to buoyant circulation using a simple convection equation and two different convection coefficients, one for upward heat flow and one for downward heat flow. The two convection coefficients recreate the fundamentally asymmetric relation of buoyant circulation, in which less dense (warmer) fluid tends to rise, while the more dense (cooler) fluid tends to fall.
Model

Tank Subsystem

Simulation Results from Scopes

Simulation Results from Simscape Logging
This figure shows the distinct temperatures in each layer of the tank. The top layer connected to the outlet remains hot even as cold water enters the lower layers of the tank.

Animation of Simscape Logging Results
This figure animates the temperatures of tank layers over time. As the tank empties, it shows the cold water entering at the lower layers. When water is no longer being drawn from the tank, the heating element in the lower layers is able to heat the cold water.
