dfilt.dfsymfir
Discrete-time, direct-form symmetric FIR filter
Syntax
Hd = dfilt.dfsymfir(b)
Hd = dfilt.dfsymfir
Description
Hd = dfilt.dfsymfir(b) returns a
discrete-time, direct-form symmetric FIR filter, Hd, with numerator
coefficients b.
Hd = dfilt.dfsymfir returns a
default, discrete-time, direct-form symmetric FIR filter, Hd, with
b=1. This filter passes the input through to the output
unchanged.
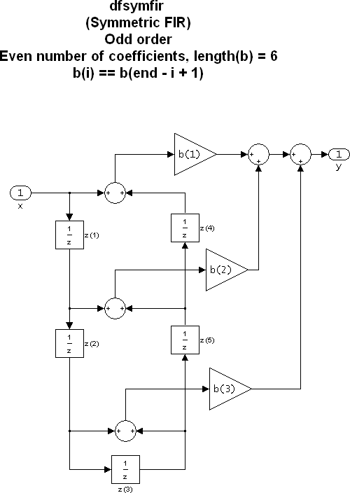
Note
Only the first half of vector b is used because the second half
is assumed to be symmetric. In the figure below for an odd number of coefficients,
b(3) = 0,
b(4) = b(2) and
b(5) = b(1), and in the next
figure for an even number of coefficients,
b(4) = b(3),
b(5) = b(2), and
b(6) = b(1).


The resulting filter states column vector for the odd number of coefficients example above is
Examples
Version History
Introduced before R2006a

