Esta página es para la versión anterior. La página correspondiente en inglés ha sido eliminada en la versión actual.
Adicionales
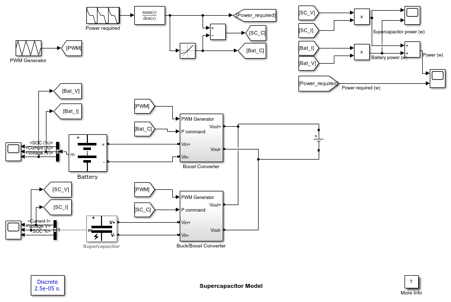
Modelos adicionales de accionamientos de motor
Explore más modelos de accionamientos eléctricos mediante accionamientos de CA y CC.
