Building a Custom Valve
Valves can be modeled with one or more orifice blocks in series or parallel. For valves that open or close in response to pressure or flow rate, such as a pressure relief valve, you can model your own by connecting a pressure sensor or flow rate sensor to an orifice. Additionally, you can add mechanical effects such as damping and friction, as shown in 4-Way Directional Valve with Mechanical Effects.
You can use the Solenoid block to model a solenoid-controlled valve. For more information, see Controlling Directional Valves.
Fundamental Directional Valve Composite Structures
When a four-way, three-position directional valve has all ports closed in the neutral position, the valve, connected to a double-acting actuator, looks like this:

When the control member displaces in the positive direction, flow paths P-B and A-T open. When the control member displaces in the negative direction, flow paths A-P and B-T open. This is schematically represented as:

This valve can be modeled as a collection of orifice blocks. In the isothermal liquid domain, this four-way, three-position valve can be recreated with four Orifice (IL) blocks with:
Orifice type set to
Variable.Control member position at closed orifice set to
0(all valves are closed in the neutral position).In Orifice (IL) P-A and Orifice (IL) B-T, Opening orientation set to
Positive control member displacement opens orifice.In Orifice (IL) B-P and Orifice (IL) A-T, Opening orientation set to
Negative control member displacement opens orifice.For equally proportional flow, set a uniform Control member travel between closed and open orifice value for all orifices. For more control over the amount of flow through an orifice, increase the control member travel value with respect to the other orifices.

A different four-way, three-position valve that starts with closed load ports and an open connection between the pump and tank is:

When the control member displaces in the positive direction, flow paths A-T and P-B open. When the control valve displaces in the negative direction, flow paths A-P and B-T open. In the neutral position, flow path P-T is open. This is represented schematically as:

This valve can be built with a collection of spool orifice blocks. One way to model this valve is with two sets of orifices that correspond to an intermediate opening, T1, that represents an opening between P and T that is only open in the neutral position. One orifice is configured to be open with positive spool displacement, and the other is configured to be open with negative spool displacement.
In addition to the variable orifice block features, the spool orifice block allows you to set the orifice geometry (a series of round holes or one rectangular slot), record the orifice flow force, or connect the flow force physical signal to another block. In the isothermal liquid domain, this directional valve can be represented as:

Another way to model an orifice that is always open in the neutral position is to
connect one orifice S port to the position signal through a
PS Abs block and set Opening orientation to
Negative spool displacement opens the orifice:

The Spool Orifice (IL) T1 block is configured with Spool position at closed
orifice set to 0 m.
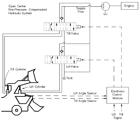
Custom Directional Valve for a Front Loader
The front loader shown below handles lift and the tilt actuation with two six-way three-position directional valves. If both valves are in the neutral position, the pump port connects to the tank port. The pump is disconnected from the tank if either of the two valves moves from the neutral position.

The valve looks like this:

and is represented schematically as:

The valve can be modeled as a combination of spool orifice blocks and a check valve block. Orifices P-A, P-B, B-T and A-T are closed when the valve is in the neutral position. Orifices P-T1-1 and P-T1-2 are open at the beginning of the simulation, which allows pump delivery at low pressure to the tank.
In the isothermal liquid domain, in the Spool Orifice (IL) blocks:
Set Orifice geometry to
Round holes.Set Diameter of round holes to
0.006.Set Number of round holes to
6.In Orifices P-A, P-B, A-T, and B-T, set Spool position at closed orifice to -
0.006.In Orifices P-B and A-T, set Opening orientation to
Positive spool displacement opens the orifice.In Orifices P-A and B-T, set Opening orientation to
Negative spool displacement opens the orifice.In Orifices P1-T1-1 and P1-T1-2, set Spool position at closed orifice to
0.008.

See Also
Multiposition Valve Actuator | 4-Way 3-Position Directional Valve (IL) | 4-Way 2-Position Directional Valve (IL) | Orifice (IL) | Spool Orifice (IL)