High-Order Control Barrier Function
Modify control actions to satisfy high-order control barrier function (CBF) constraints and action bounds
Since R2026a
Libraries:
Simulink Control Design /
Constraint Control
Description
The High-Order Control Barrier Function block computes the modified control actions that are closest to specified control actions subject to high-order control barrier function constraints and action bounds.
A control barrier function defines a safety set h(x) ≥ 0 based on the system state x. If the initial system start within the safety set, the High-Order Control Barrier Function block adjusts the control actions to keep the states within the safety set. The block uses a quadratic programming (QP) solver to find the control action u that minimizes in real time. Here, u0 is the original control action from the controller.
The solver applies constraints based on the barrier function relative order.
| Barrier Function Relative Order | Constraint Equation |
|---|---|
| First | |
| Second | |
| Third | |
| Fourth |
Here:
f(x) and g(x) are the drift and control vector fields of the plant dynamics equation , respectively.
h(x) is the barrier function.
Lfih is the i-th Lie derivative of hx with respect to x, with and .
LgLfih is given by .
γi and βi are parameters for controlling the effect of the barrier certificate.
umin is a lower bound for the control action.
umax is an upper bound for the control action.
The High-Order Control Barrier Function block requires Optimization Toolbox™ software.
For more information on control barrier function enforcement, see Enforce Safety Constraints with Control Barrier Functions.
Examples
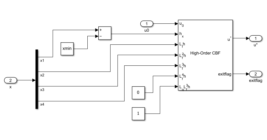
This example shows how to compute Lie derivatives for a quadruple integrator and apply constraints using the High-Order Control Barrier Function block.
Consider the quadruple integrator system defined as:
Writing in the control-affine form, you get:
This example provides the model quadIntegratorCBF preconfigured with two variant subsystems, one for baseline state-feedback control and the other that imposes CBF constraints.
Baseline Simulation
Design a baseline state-feedback controller using pole placement to drive all system states to zero.
A = [0 1 0 0;
0 0 1 0;
0 0 0 1;
0 0 0 0];
B = [0;0;0;1];
C = eye(4);
D = zeros(4,1);
sys = ss(A,B,C,D);
initcond = [4;0;0;0];
p = [-0.5+1.5j, -0.5-1.5j,-5,-6];
K = place(A,B,p);Simulate the model with the baseline controller.
mdl = "quadIntegratorCBF"; open_system("quadIntegratorCBF") set_param([mdl+"/Select Input"], 'LabelModeActiveChoice','nominal') sim(mdl,15); open_system("quadIntegratorCBF/Scope")

Safety Set and Lie Derivatives
Now, define a control barrier function (CBF) for this system that ensures stays above the boundary .
To determine the relative degree, compute successive time derivatives of until appears explicitly.
The control input term appears in the fourth derivative of , so the relative degree for this system is 4. Compute the required Lie derivatives for relative degree 4.
Similarly,
Simulation with Constraints
To impose the CBF constraints, use the High-Order Control Barrier Function block. In the Simulink model, the CBF Constraint variant of the Select Input subsystem shows how to provide the required inputs: the baseline controller output, the control barrier function, and the computed Lie derivatives.

By default, the order (relative degree) parameter is set to 2, so you must configure the block parameter as follows.

Enable the CBF Constraint variant and run the simulation.
x1min = 0.5; set_param([mdl+"/Select Input"], 'LabelModeActiveChoice','enableCBF') sim(mdl,15); open_system("quadIntegratorCBF/Scope")

Additionally, you can tune the Poles for exponential decay rate parameter to speed up convergence. For example, set the decay to to -2 and simulate the model. converges faster to the boundary but causes more overshoot in other states.
set_param([mdl+"/Select Input/CBF Constraint/High-Order Control Barrier Function"],"DecayPoles","-2") sim(mdl,15); open_system("quadIntegratorCBF/Scope")

Extended Examples
Safe PID Controller for Two Link Robot using High-Order Control Barrier Function
Apply high-order CBF constraints to ensure safety for a two-link robot.
- Since R2026a
- Open Live Script
Add Safety Constraint to Simulate Two-Link Robot with SAC Agent
Add high-order barrier function to safely simulate a two-link robot model with a SAC agent.
(Reinforcement Learning Toolbox)
Ports
Input
Unmodified control actions, specified as a scalar or a vector.
If the Number of actions parameter is
1, connect u0 to a scalar
signal. Otherwise, connect u0 to a vector signal
with length equal to Number of actions.
Control barrier function, defined as the following safety set for plant states.
Connect hx to an Nc-by-1 signal, where Nc is equal to the Number of barrier certificates parameter.
First Lie derivative of h(x) along the f(x), defined as:
Connect this port to an Nc-by-1 signal, where Nc is equal to Number of barrier certificates.
First Lie derivative of h(x) along the g(x), defined as:
Connect this port to an Nc-by-Nu signal, where Nc is equal to Number of barrier certificates and Nu is equal to Number of actions.
Dependencies
To enable this port, set Order to 1.
Second Lie derivative of h(x) along the f(x), defined as:
Connect this port to an Nc-by-1 signal, where Nc is equal to Number of barrier certificates.
Dependencies
To enable this port, set Order to
2, 3, or
4.
Lie derivative of Lfh(x) along the g(x), defined as:
Connect this port to an Nc-by-Nu signal, where Nc is equal to Number of barrier certificates and Nu is equal to Number of actions.
Dependencies
To enable this port, set Order to
2.
Third Lie derivative of h(x) along the f(x), defined as:
Connect this port to an Nc-by-1 signal, where Nc is equal to Number of barrier certificates.
Dependencies
To enable this port, set Order to
3.
Lie derivative of L2fh(x) along the g(x), defined as:
Connect this port to an Nc-by-Nu signal, where Nc is equal to Number of barrier certificates and Nu is equal to Number of actions.
Dependencies
To enable this port, set Order to
3.
Fourth Lie derivative of h(x) along the f(x), defined as:
Connect this port to an Nc-by-1 signal, where Nc is equal to Number of barrier certificates.
Dependencies
To enable this port, set Order to
4.
Lie derivative of L3fh(x) along the g(x), defined as:
Connect this port to an Nc-by-Nu signal, where Nc is equal to Number of barrier certificates and Nu is equal to Number of actions.
Dependencies
To enable this port, set Order to
4.
To specify run-time upper bounds to the action signals, enable this input port. If this port is disabled, the block does not apply any upper bounds to the control actions.
If the Number of actions parameter is
1, connect umax to a scalar
signal. Otherwise, connect umax to a vector signal
with length equal to Number of actions.
Dependencies
To enable this input port, select the Use external source for upper bound parameter.
To specify run-time lower bounds to the action signals, enable this input port. If this port is disabled, the block does not apply any lower bounds to the control actions.
If the Number of actions parameter is
1, connect umin to a scalar
signal. Otherwise, connect umin to a vector signal
with length equal to Number of actions.
Dependencies
To enable this input port, select the Use external source for lower bound parameter.
Output
Modified control action returned by the QP solver.
If the solver finds a solution before reaching the maximum number of iterations, u* outputs this optimal solution.
If the solver reaches the maximum number of iterations, optimization stops and u* outputs a suboptimal solution.
If the initial optimization problem is infeasible, the returned control action depends on the whether the block is configured to ignore constraint or action bounds. For more information, see the exitflag parameter.
If the Number of actions parameter is
1, u* outputs a scalar
signal. Otherwise, u* outputs a vector signal with
length equal to Number of actions.
Optimization status of the QP solver. The following table shows the possible status values.
| Exit Flag | Description |
|---|---|
1 | The solver converged to an optimal solution with all constraints and bounds active. In this case, u* outputs the optimal control actions. |
0 | The solver reached the maximum number of iterations. The control actions output in u* might be suboptimal. |
| negative integer | The initial optimization problem was infeasible and one of the following scenarios applies.
In this case, the control actions output in u* are zero. |
Dependencies
To enable this output port, select the Optimization status parameter.
Parameters
To edit block parameters interactively, use the Property Inspector. From the Simulink® Toolstrip, on the Simulation tab, in the Prepare gallery, select Property Inspector.
Specify the number of plant states.
Programmatic Use
To set the block parameter value programmatically, use
the set_param function.
| Parameter: | nx |
| Values: | "1" (default) | positive integer in quotes |
Example: set_param(gcb,"nx","3")
Specify the number of control actions to apply bounds to and optimize.
Programmatic Use
To set the block parameter value programmatically, use
the set_param function.
| Parameter: | nu |
| Values: | "1" (default) | positive integer in quotes |
Example: set_param(gcb,"nu","2")
Specify the number of barrier certificate constraints to enforce.
Programmatic Use
To set the block parameter value programmatically, use
the set_param function.
| Parameter: | nc |
| Values: | "1" (default) | positive integer in quotes |
Example: set_param(gcb,"nc","2")
Specify the barrier function order. This is the number of time derivatives of h you must take before the control term u appears explicitly
Programmatic Use
To set the block parameter value programmatically, use
the set_param function.
| Parameter: | Order |
| Values: | "2" (default) | "1" | "3" | "4" |
Example: set_param(gcb,"Order","2")
Enforce strict state-dependent high-relative degree safety for nonlinear systems. When you enable this option, the software automatically computes the constraint factor gains γi based on the poles specified in the Poles for exponential decay rate parameter.
Programmatic Use
To set the block parameter value programmatically, use
the set_param function.
| Parameter: | ExponentialCBF |
| Values: | "on" (default) | "off" |
Example: set_param(gcb,"ExponentialCBF","off")
Pole values for exponential decay rate, specified as a real negative
scalar or matrix of size nc-by-no,
where nc is the Number of barrier
certificates and no is the
Order.
Dependencies
To enable this option, select Use exponential high-order CBF.
Programmatic Use
To set the block parameter value programmatically, use
the set_param function.
| Parameter: | DecayPoles |
| Values: | "-1" (default) | real negative scalar in quotes | nc-by-no matrix in
quotes |
Example: set_param(gcb,"DecayPoles","[-1,-2;-3,-4]")
Constraint factor γi in the
barrier certificate constraint, specified as a positive scalar or matrix of
size nc-by-no, where
nc is the Number of barrier
certificates and no is the
Order.
Dependencies
To enable this option, disable Use exponential high-order CBF.
Programmatic Use
To set the block parameter value programmatically, use
the set_param function.
| Parameter: | gamma |
| Values: | "10" (default) | positive scalar in quotes |
Example: set_param(gcb,"gamma","4")
Constraint power β in the barrier certificate
constraint, specified as a positive scalar or matrix of size
nc-by-no, where
nc is the Number of barrier
certificates and no is the
Order.
Dependencies
To enable this option, disable Use exponential high-order CBF.
Programmatic Use
To set the block parameter value programmatically, use
the set_param function.
| Parameter: | beta |
| Values: | "1" (default) | positive scalar in quotes |
Example: set_param(gcb,"beta","2")
Select this parameter to add the umax input port for external upper action bounds.
Programmatic Use
To set the block parameter value programmatically, use
the set_param function.
| Parameter: | external_umax |
| Values: | "off" (default) | "on" |
Example: set_param(gcb,"external_umax","on")
Select this parameter to add the umin input port for external lower action bounds.
Programmatic Use
To set the block parameter value programmatically, use
the set_param function.
| Parameter: | external_umin |
| Values: | "off" (default) | "on" |
Example: set_param(gcb,"external_umin","on")
Specify the output data type.
The Data Type Assistant helps you set
data attributes. To use the Data Type
Assistant, click
.
You can specify the following data types.
Built in—singleordoubledata types.Expression— Use a MATLAB expression that specifies the type.
For more information, see Specify Data Types Using Data Type Assistant.
Specify the sample time for running the optimization.
Programmatic Use
To set the block parameter value programmatically, use
the set_param function.
| Parameter: | Ts |
| Values: | "0.1" (default) | positive scalar in quotes |
Example: set_param(gcb,"Ts","0.2")
Specify the maximum number of optimization iterations.
Programmatic Use
To set the block parameter value programmatically, use
the set_param function.
| Parameter: | maxiter |
| Values: | "200" (default) | positive integer in quotes |
Example: set_param(gcb,"maxiter","300")
Specify a tolerance value for constraint violations.
Programmatic Use
To set the block parameter value programmatically, use
the set_param function.
| Parameter: | tol |
| Values: | "1e-6" (default) | nonnegative scalar in quotes |
Example: set_param(gcb,"tol","1e-4")
Select this parameter to add the exitflag output port for the optimization status of the QP solver.
Programmatic Use
To set the block parameter value programmatically, use
the set_param function.
| Parameter: | output_exitflag |
| Values: | "off" (default) | "on" |
Example: set_param(gcb,"output_exitflag","on")
Extended Capabilities
C/C++ Code Generation
Generate C and C++ code using Simulink® Coder™.
Version History
Introduced in R2026a
MATLAB Command
You clicked a link that corresponds to this MATLAB command:
Run the command by entering it in the MATLAB Command Window. Web browsers do not support MATLAB commands.
Seleccione un país/idioma
Seleccione un país/idioma para obtener contenido traducido, si está disponible, y ver eventos y ofertas de productos y servicios locales. Según su ubicación geográfica, recomendamos que seleccione: .
También puede seleccionar uno de estos países/idiomas:
Cómo obtener el mejor rendimiento
Seleccione China (en idioma chino o inglés) para obtener el mejor rendimiento. Los sitios web de otros países no están optimizados para ser accedidos desde su ubicación geográfica.
América
- América Latina (Español)
- Canada (English)
- United States (English)
Europa
- Belgium (English)
- Denmark (English)
- Deutschland (Deutsch)
- España (Español)
- Finland (English)
- France (Français)
- Ireland (English)
- Italia (Italiano)
- Luxembourg (English)
- Netherlands (English)
- Norway (English)
- Österreich (Deutsch)
- Portugal (English)
- Sweden (English)
- Switzerland
- United Kingdom (English)


