Corrección del factor de potencia

Introducción a la corrección del factor de potencia

El factor de potencia es una medida que describe la eficiencia de un sistema eléctrico de corriente alterna (CA) para convertir la energía eléctrica en una salida de trabajo útil. La corrección del factor de potencia es el proceso de mejorar el factor de potencia de un sistema de energía eléctrica para hacerlo más eficiente.

El factor de potencia de un circuito de CA es la relación entre la potencia real instantánea utilizada por una carga eléctrica y la potencia aparente que circula por el circuito. Se trata de una medida de cuán efectivamente se transmite y utiliza la energía por parte de las cargas conectadas a una red eléctrica, concretamente, la relación entre la potencia real que realiza un trabajo útil y la potencia aparente que se suministra al circuito.

\[Factor \; de potencia = cosθ = \frac{Potencia \; real \; (kW)}{Potencia \; aparente \; (kVA)}\]

El factor de potencia viene representado por \(cosθ\), donde \(θ\) es el ángulo entre la potencia real y la potencia aparente en el triángulo de vectores de potencia que aparece a continuación.

Triángulo con ángulo θ entre la potencia aparente y la potencia real en un circuito.

Triángulo de vectores de potencia.

El factor de potencia se expresa como un valor numérico comprendido entre 0 y 1 (o bien como un porcentaje), donde el valor 1 (o 100%) significa máxima eficiencia. Un factor de potencia inferior a 1 indica que la corriente y tensión no están en fase en un circuito de CA.

Técnicas de corrección del factor de potencia

Las técnicas de corrección del factor de potencia son estrategias y métodos empleados para mejorar el factor de potencia de un sistema de energía eléctrica con el objetivo de acercarlo a 1 para hacerlo más eficiente. Se utilizan varias técnicas para lograr la corrección del factor de potencia.

Condensadores síncronos

Un condensador síncrono, que es en esencia un motor síncrono que funciona sin una carga mecánica, se puede ajustar para proporcionar voltioamperios reactivos (VAR) en adelanto o retraso, según sea necesario. Este enfoque ayuda a equilibrar dinámicamente el factor de potencia en condiciones de carga variables.

Por ejemplo, un parque eólico de gran tamaño utiliza un condensador síncrono cerca de su punto de conexión a la red eléctrica para contrarrestar el factor de potencia variable provocado por velocidades fluctuantes del viento y cargas de transformadores inductivos. Este condensador realiza un ajuste dinámico, y proporciona o absorbe potencia reactiva según sea necesario, estabiliza la tensión de la red, garantiza una transmisión de energía eficiente, y reduce las pérdidas al máximo, lo que permite un suministro de energía fiable y eficiente a pesar de la variabilidad del viento.

Adelantadores de fase

Los adelantadores de fase, que se utilizan principalmente con motores de inducción, son dispositivos que suministran al rotor la corriente en adelanto necesaria, lo que ayuda a reducir la cantidad de VAR en retraso consumida por la fuente de alimentación. Esta técnica mejora el factor de potencia del motor y del sistema en general.

Corrección activa del factor de potencia

La corrección activa del factor de potencia es una técnica utilizada en circuitos y dispositivos electrónicos que emplea electrónica de potencia para cambiar la forma de onda de la corriente consumida por la carga para mejorar el factor de potencia. Este método es especialmente eficaz para cargas no lineales, como las que se encuentran en fuentes de alimentación conmutadas.

Las fuentes de alimentación conmutadas utilizadas en equipos informáticos son cargas no lineales, y pueden introducir una cantidad significativa de distorsión armónica en el sistema de alimentación y tener un factor de potencia deficiente si no se corrige. Para solucionar este problema, muchas fuentes de alimentación de equipos informáticos incorporan un circuito PFC activo.

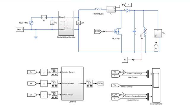
Modelo de Simscape Electrical para corrección del factor de potencia que muestra un convertidor boost, controles y scope de circuito.

Modelado de corrección del factor de potencia para un convertidor boost en modo de conducción continua (CCM) en Simscape Electrical (vea un ejemplo).

Corrección pasiva del factor de potencia

La corrección pasiva del factor de potencia implica el uso de elementos pasivos, como condensadores e inductores, para mejorar el factor de potencia. Este método es más simple y menos costoso que la corrección activa del factor de potencia, pero suele ser menos eficaz para corregir el factor de potencia de cargas no lineales.

Por ejemplo, las luces fluorescentes de edificios comerciales, que son cargas inductivas, pueden provocar un factor de potencia en retraso, lo que lleva a un aumento de los costes por demanda de la compañía eléctrica y una reducción en la eficiencia del sistema eléctrico. Para corregir esto, se instalan condensadores en paralelo al circuito de iluminación. Estos condensadores proporcionan potencia reactiva en adelanto, que contrarresta la potencia reactiva en retraso consumida por las luces, lo que mejora el factor de potencia.

En conclusión, mejorar el factor de potencia con estas técnicas puede aportar ventajas significativas, como reducción del coste energético, aumento de la capacidad del sistema y mejora de la regulación de la tensión, lo que se traduce en un sistema de energía más eficiente y fiable.

Con MATLAB®, Simulink® y Simscape Electrical™, puede diseñar, simular y analizar convertidores de potencia, motores de CA, estabilidades de sistemas de energía, flujo de carga, y armónicos en el sistema empleando librerías integradas que contienen modelos de diversos componentes y sistemas. Este enfoque permite realizar un análisis detallado de cómo funcionan estos sistemas en diversas condiciones y cómo se pueden optimizar. Con Embedded Coder®, puede generar código de producción para el controlador y realizar pruebas de hardware-in-the-loop (HIL) para evaluar el rendimiento del controlador en diversas condiciones de funcionamiento. Este proceso ayuda a mitigar los riesgos y optimizar el rendimiento del sistema de electrónica de potencia utilizado para mejorar la calidad de la potencia.


También puede consultar estos temas: Control de convertidor CC-CC, Simscape Electrical, Control PID, Simulación de electrónica de potencia, Análisis de señales pequeñas, C2000 Microcontroller Blockset