Un sistema de gestión de baterías (BMS) es un sofisticado sistema de control electrónico y de software diseñado para monitorizar y gestionar las variables operativas de baterías recargables de vehículos eléctricos (EV), aeronaves eléctricas de despegue y aterrizaje vertical (eVTOL), sistemas de almacenamiento de energía en baterías (BESS), computadores portátiles y smartphones.
Por qué son importantes los sistemas de gestión de baterías
Un sistema de gestión de baterías influye directamente en la seguridad, eficiencia y longevidad de la batería y, por extensión, en el rendimiento y fiabilidad generales del sistema. Un sistema de gestión de baterías ofrece estos beneficios principales:
- Seguridad:
- Prevención de sobrecarga y sobredescarga: El sistema de gestión de baterías garantiza que cada una de las celdas de un paquete de baterías se mantenga dentro de límites de voltaje seguros, lo que evita fugas térmicas o degradación prematura de las celdas.
- Monitorización de voltaje y temperatura: El BMS supervisa continuamente el voltaje y temperatura de las celdas de batería, lo que ofrece una alerta temprana sobre posibles problemas de seguridad.
- Extensión de la duración de una batería:
- Prevención de condiciones de estrés: Dado que mantiene la batería en condiciones óptimas de funcionamiento, un sistema de gestión de baterías evita estrés que podría provocar una degradación prematura.
- Optimización del rendimiento:
- Optimización de condiciones de funcionamiento: Dado que supervisa y ajusta parámetros de temperatura y gestión de carga, un sistema de gestión de baterías puede garantizar que la batería funciona de manera eficiente y proporciona el mejor rendimiento posible.
- Estimación del estado de carga (SOC) y el estado de salud (SOH): Un BMS calcula e informa el SOC y SOH de la batería, fundamentales para determinar la energía disponible y la salud general de la batería, respectivamente.
- Equilibrado de celdas: Con el paso del tiempo, las celdas de un paquete de baterías pueden desequilibrarse, y algunas pueden tener niveles de carga más altos o bajos que otras. Un BMS puede equilibrar las celdas asegurándose de que cada celda se cargue y descargue de manera uniforme, lo que ayuda a optimizar el tiempo de funcionamiento de la batería.
- Reducción de costes:
- Reducción de costes de mantenimiento: Dado que prolonga la vida útil de la batería y evita daños a través de monitorización y gestión continuos, un sistema de gestión de baterías puede reducir los costes de mantenimiento y reemplazo.
- Máximo uso de energía: A través de un equilibrado de celdas eficiente, un BMS permite aprovechar la energía almacenada utilizable, lo que aumenta la rentabilidad del sistema.
- Conformidad e integración:
- Integración con sistemas de energía renovable: Un sistema de gestión de baterías es esencial para integrar baterías con sistemas de energía renovable, paneles solares o turbinas eólicas, a través de la gestión del almacenamiento y liberación de energía.
- Conformidad con normativas: En muchos casos, contar con un BMS es un requisito normativo de los estándares de seguridad y eficiencia, especialmente en vehículos eléctricos y sistemas de almacenamiento de energía a gran escala.
Más información
Cómo funciona un sistema de gestión de baterías
Las funciones principales de un sistema de gestión de baterías son la monitorización, estimación de estado, equilibrado de celdas, gestión de potencia, gestión térmica, protección y comunicaciones.
Funciones principales de un sistema de gestión de baterías.
Monitorización
Un sistema de gestión de baterías monitoriza el voltaje, corriente y temperatura para garantizar que la batería funciona dentro de sus especificaciones de seguridad.
Estimación de estado
Una función importante de un sistema de gestión de baterías es la estimación del estado, que incluye estado de carga (SOC), estado de salud (SOH), estado de energía (SOE) y estado de potencia (SOP). El SOC es una cantidad normalizada que indica cuánta carga queda en la batería, definida como la relación entre la cantidad máxima de carga extraíble de la celda en un determinado momento y la capacidad total. Los métodos para estimar el SOC pueden ser simples, como integración de las corrientes (conteo de culombios) y monitorización del voltaje, o sofisticados basados en modelos y datos, como filtros de Kalman y redes neuronales.
El SOH hace referencia al estado de salud general de la batería (resistencia interna y capacidad) en relación con su rendimiento al comienzo de la vida útil (BOL). La definición del SOH es más subjetiva que la del SOC, ya que no existe un consenso general sobre cómo definir el SOH. Dado que el SOH se puede definir en función de la capacidad o la resistencia interna, cada organización puede tener su propio método específico para cuantificar una estimación del SOH en el sistema de gestión de baterías, lo que hace menos atractivo crear una solución comercial de uso general. Con Simscape Battery™, puede desarrollar y simular algoritmos de estimación del SOH personalizados en la implementación de un sistema de gestión de baterías, alineados con la definición particular de SOH de su empresa.
Equilibrado de celdas
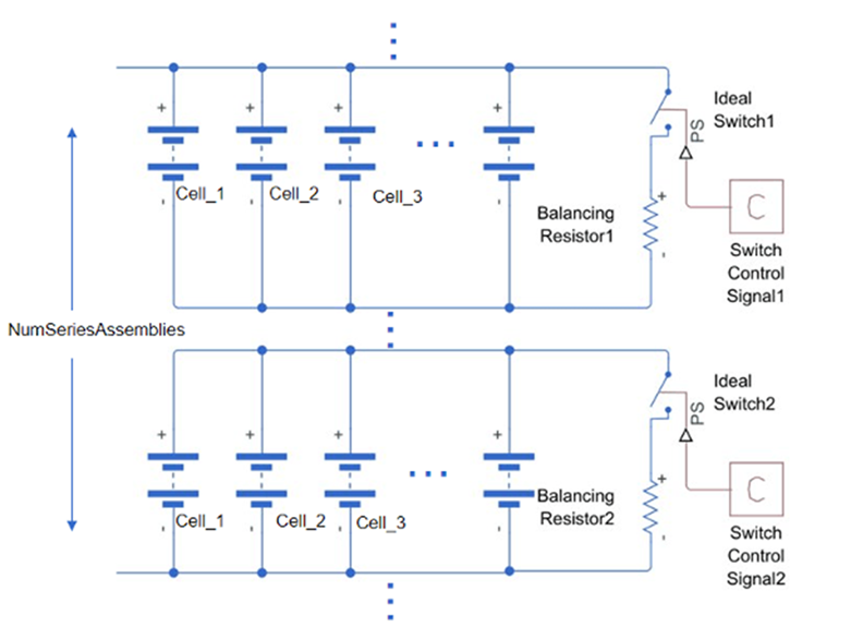
Con el paso del tiempo, cada una de las celdas de un paquete de baterías pueden mostrar diferentes niveles de carga debido a variaciones en las condiciones de fabricación, uso o temperatura. Un sistema de gestión de baterías equilibra la carga entre celdas para garantizar que todas tengan el mismo nivel de carga, lo que optimiza la capacidad y vida útil de la batería. Existen dos enfoques comunes: equilibrado pasivo y equilibrado activo.
Equilibrado pasivo
Un sistema de gestión de baterías reduce el nivel de carga de celdas con alto SOC utilizando resistencias de sangrado. En este caso, la energía se disipa en forma de calor. Simscape Battery permite disponer de un circuito de equilibrado pasivo incorporado en el paquete de baterías junto con una estrategia de equilibrado externo en el sistema de gestión de baterías.
Modelado de un circuito de equilibrado de celdas pasivo en un sistema de gestión de baterías con el objeto Pack de Simscape Battery. (Vea el ejemplo.)
Puede representar gráficamente el SOC resultante de dos celdas conectadas en serie utilizando un algoritmo de equilibrado pasivo.
Estado de carga de dos celdas conectadas en serie utilizando un algoritmo de equilibrado pasivo. (Vea el ejemplo de Simscape Battery.)
Simscape Battery permite probar los algoritmos de equilibrado de celdas pasivo del sistema de gestión de baterías en un sistema de hardware-in-the-loop (HIL) de emulación de baterías con el bloque Passive Balancing Interface.
Bloque Passive Balancing Interface utilizado para las pruebas de HIL de un sistema de gestión de baterías.
Equilibrado activo
Un sistema de gestión de baterías traslada cargas de celdas con alto SOC a celdas con bajo SOC utilizando condensadores e inductores. En este caso, la energía se traslada entre diferentes celdas dentro del paquete de baterías.
Modelo del método de condensador conmutado para equilibrar celdas de baterías. (Vea el ejemplo de Simscape Battery.)
Gestión de potencia
Un sistema de gestión de baterías supervisa y controla el flujo de potencia desde y hacia un paquete de baterías. Durante la carga, el BMS previene la sobrecorriente y el sobrevoltaje. El algoritmo de corriente constante y voltaje constante (CC-CV) es un enfoque de carga de baterías común que se utiliza en un sistema de gestión de baterías. Durante la fase de carga de corriente constante, la corriente de carga se mantiene constante y el voltaje de la batería aumenta gradualmente. Durante la fase de carga de voltaje constante, el voltaje de carga se mantiene constante y la corriente de la batería se reduce gradualmente.
Funcionamiento de los modos de carga de corriente constante y voltaje constante en un sistema de gestión de baterías. (Vea el ejemplo de Simscape Battery.)
Gestión térmica
El control de temperatura de una batería es fundamental, porque las altas temperaturas reducen sustancialmente la duración de una batería, y las bajas temperaturas reducen la capacidad y energía utilizables, además de afectar a la rapidez con que se pueden cargar. Es importante que un sistema de gestión de baterías active calefactores o refrigerantes para mantener la temperatura dentro de límites seguros. Con Simscape Battery, puede modelar un ciclo de carga y descarga en un ensamblaje de módulos de batería a la vez que monitoriza la temperatura de las celdas y permite su enfriamiento.
Modelo de sistema de gestión de baterías que muestra un ensamblaje de módulos de batería de carga y descarga con un bloque Battery Coolant Control. (Vea el ejemplo de Simscape Battery.)
Las celdas de batería comienzan a diferentes temperaturas, y el bloque Battery Coolant Control monitoriza la temperatura de las celdas y comienza a enfriar el ensamblaje si superan una temperatura límite. Cuando la temperatura de las celdas cae por debajo de cierto umbral, el bloque Battery Coolant Control desactiva el flujo de refrigerante.
Temperatura de las celdas dentro del ensamblaje de módulos regulada con el bloque Battery Coolant Control integrado.
Con Simscape Battery, puede utilizar los bloques integrados Battery Coolant Control y Battery Heater Control para crear algoritmos de control de gestión térmica de baterías.
Protección
Un sistema de gestión de baterías ofrece protección contra condiciones que pueden dañar la batería, como sobrecarga, sobredescarga, sobrecorriente y sobrecalentamiento. Evitar estas condiciones es fundamental para prevenir daños en las celdas de batería y garantizar la seguridad de usuarios.
Simscape Battery ofrece varios algoritmos de protección de baterías integrados para el diseño de sistemas de gestión de baterías en forma de bloque:
- Battery Cell Contact Monitoring: Monitor de contacto de las celdas de batería
- Battery Current Monitoring: Monitor de corriente de la batería
- Battery Temperature Monitoring: Monitor de temperatura de la batería
- Battery Voltage Monitoring: Monitor de voltaje de la batería
- Fault Qualification: Algoritmo de calificación de fallos
Puede utilizar un bloque Battery Cell Contact Monitoring en el sistema de gestión de baterías para detectar una celda desconectada a partir del voltaje del ensamblaje paralelo.
Detección de una celda desconectada (ensamblaje paralelo #1) utilizando un bloque Battery Cell Contact Monitoring. (Vea el ejemplo de Simscape Battery.)
Puede utilizar bloques de protección integrados en el sistema de gestión de baterías para monitorizar la corriente y temperatura de una batería y así detectar errores de baja o alta temperatura y de sobrecorriente (Vea el ejemplo de Simscape Battery).
Comunicaciones
Un sistema de gestión de baterías se comunica con dispositivos o sistemas externos, para ofrecer información en tiempo real sobre el estado de la batería y recibir instrucciones para la gestión de energía.
Ejecutando las funciones principales presentadas, un sistema de gestión de baterías correctamente diseñado garantiza máximo rendimiento, funcionamiento seguro y vida útil óptima en diversas condiciones ambientales, y de carga y descarga.
Más información
Diseño de un sistema de gestión de baterías con Simulink y Simscape Battery
Con Simulink® y Simscape Battery, los equipos de ingeniería pueden diseñar y simular sistemas de gestión de baterías del siguiente modo:
- Modelizar paquetes de baterías con la app Battery Builder o la API de MATLAB® en Simscape Battery
- Caracterizar elementos de modelos de circuitos equivalentes de celdas de batería utilizando datos de prueba para obtener una representación precisa de la química de las celdas
- Desarrollar algoritmos de control del sistema de gestión de baterías empleando bloques de control de BMS en Simscape Battery
- Probar algoritmos de BMS con simulación en escritorio de lazo cerrado, simulación de software-in-the-loop (SIL), simulación de processor-in-the-loop (PIL) y simulación de hardware-in-the-loop (HIL)
- Modelizar y simular fallos del sistema de baterías
- Diseñar el circuito de electrónica de potencia que conecta el paquete con los controles
- Desarrollar algoritmos de control de lazo cerrado para la lógica de monitorización y detección de fallos
- Gestionar requisitos, y crear la arquitectura y funcionalidad del sistema
Creación de un objeto de paquete de baterías utilizando un enfoque ascendente, desde la celda individual hasta el paquete de baterías. Puede utilizar Simscape Battery para crear, modificar y visualizar interactivamente objetos de batería en 3D, personalizar la resolución de modelado, y generar un bloque de Simscape del objeto de batería diseñado.
Creación de un objeto de paquete de baterías utilizando un enfoque ascendente, desde la celda individual hasta el paquete de baterías. Puede utilizar Simscape Battery para crear, modificar y visualizar interactivamente objetos de batería en 3D, personalizar la resolución de modelado, y generar un bloque de Simscape del objeto de batería diseñado.
Con Simulink y Simscape Battery, puede someter el BMS a una serie de condiciones de funcionamiento y fallo antes de pasar a las pruebas en hardware. Puede generar código C a partir de modelos de Simulink para desplegar algoritmos de control para prototipado rápido de sistemas o microcontroladores.
Simulink genera código a partir de los modelos de baterías y componentes eléctricos, lo que permite realizar simulación en tiempo real para pruebas de HIL y validar el BMS antes de proceder a su implementación en hardware.
Estimación del SOC con Simscape Battery
Es indispensable contar con modelos de baterías precisos para desarrollar algoritmos de estimación del SOC basada en modelos en un sistema de gestión de baterías. Los enfoques tradicionales de estimación del SOC en un sistema de gestión de baterías, como medición del voltaje de circuito abierto (OCV) e integración de corrientes (conteo de culombios), son fáciles de implementar y bastante precisos en algunos casos. No obstante, el enfoque basado en OCV requiere la medición de OCV, que debe ir precedida de un periodo de reposo prolongado. El conteo de culombios adolece de problemas de inicialización deficiente y acumulación de ruido de medición de corriente. Se ha comprobado que los enfoques de EKF (filtro de Kalman extendido) y UKF (filtro de Kalman unscented) ofrecen resultados precisos con carga computacional moderada en implementaciones de BMS del mundo real.
Simscape Battery ofrece varios estimadores de SOC para el desarrollo de BMS en forma de bloque:
- SOC Estimator (Adaptive Kalman Filter): Estimador del estado de carga y resistencia terminal con filtro de Kalman adaptativo
- SOC Estimator (Adaptive Kalman Filter, Variable Capacity): Estimador del estado de carga y resistencia terminal con filtro de Kalman adaptativo y capacidad variable
- SOC Estimator (Coulomb Counting): Estimador del estado de carga con conteo de culombios
- SOC Estimator (Coulomb Counting, Variable Capacity): Estimador del estado de carga con conteo de culombios y capacidad variable
- SOC Estimator (Kalman Filter): Estimador del estado de carga con filtro de Kalman
- SOC Estimator (Kalman Filter, Variable Capacity): Estimador del estado de carga con filtro de Kalman y capacidad variable
En comparación con el estimador del SOC con filtro de Kalman, el estimador de SOC con filtro de Kalman adaptativo incluye un estado adicional: resistencia terminal. Ambos estimadores permiten seleccionar EKF o UKF para desarrollar un observador para estimar el SOC. Normalmente, estos observadores de un sistema de gestión de baterías incluyen un modelo del sistema no lineal de interés (la batería), que utiliza la corriente y voltaje medidos por el BMS en la celda como entradas, así como un algoritmo recursivo que calcula los estados internos del sistema (entre ellos, el SOC) a partir de un proceso de predicción/actualización de dos pasos.
SOC real y estimado utilizando EKF con bloques de BMS integrados. (Vea el ejemplo de Simscape Battery.)
Estimación de SOC con una red de Deep Learning
En lugar de un filtro de Kalman, un sistema de gestión de baterías puede estimar el SOC con un método basado en datos, como una red neuronal. Este método no requiere mucha información sobre la batería o su comportamiento no lineal. La red se entrena con datos de corriente, voltaje y temperatura, y SOC como respuesta. Puede comprimir una red neuronal utilizando proyección, que permite ejecuciones más rápidas cuando se ejecuta en la CPU o se despliega en hardware integrado de BMS empleando generación de código C o C++ sin librerías.
Uso de una red neuronal para estimación del SOC en un sistema de gestión de baterías. (Vea el ejemplo de Deep Learning Toolbox™.)
SOC real y estimado utilizando una red de Deep Learning en un sistema de gestión de baterías.
Estimación del SOH con Simscape Battery
Es importante que un sistema de gestión de baterías estime el estado de salud de la batería. Todas las baterías, incluso aquellas que cumplen con las especificaciones de rendimiento durante su fabricación, se degradan con el paso del tiempo debido a la conclusión de su vida útil y los ciclos de carga y descarga, y sufren una pérdida gradual de capacidad de reserva y un aumento de resistencia interna. Aunque es relativamente sencillo para un sistema de gestión de baterías estimar el aumento de resistencia interna empleando breves mediciones temporales, calcular con precisión la pérdida gradual de capacidad requiere una carga o descarga completa, lo que no siempre es práctico.
Este desafío ha propiciado un creciente interés en la estimación del SOH en un sistema de gestión de baterías, así como el desarrollo de formulaciones de filtros de Kalman adaptativos aumentados para incluir otros parámetros de batería además de los estados. La estimación precisa de la resistencia interna instantánea es muy útil para que un sistema de gestión de baterías pueda establecer limitaciones de potencia.
Simscape Battery ofrece estimadores del SOH integrados para estimar la capacidad de la batería en un sistema de gestión de baterías, en forma de bloque:
- Battery Capacity Estimator (Kalman Filter): Estimador de capacidad de la batería con filtro de Kalman
- Battery Capacity Estimator (Least Squares): Estimador de capacidad de la batería con algoritmos de mínimos cuadrados
- Battery Capacity Estimator (Least Squares, Variable Weights): Estimador de capacidad de la batería con algoritmos de mínimos cuadrados y pesos variables
- SOH Estimator: Estimador del estado de salud
- SOH Estimator (Capacity-Based): Estimador del estado de salud basado en la disminución de capacidad
SOC real y estimado, resistencia terminal estimada y SOH estimado modelados en Simscape Battery con bloques de sistema de gestión de baterías integrados. (Vea el ejemplo.)
SOC real y estimado, capacidad de la batería real y estimada, y SOH estimado modelados en Simscape Battery con bloques de sistema de gestión de baterías integrados. (Vea el ejemplo.)
Carga rápida de baterías
Los usuarios de tecnología moderna esperan que sus dispositivos se carguen de manera rápida y eficiente. La carga rápida de baterías acorta el tiempo de conexión a una toma de corriente, lo que permite que usuarios reanuden rápidamente sus actividades sin largas interrupciones, sobre todo la carga de vehículos eléctricos.
Simulink y Simscape Battery permiten desarrollar algoritmos de carga rápida de baterías en un sistema de gestión de baterías modificando el bloque Battery CC-CV, para incorporar un protocolo de carga rápida de corriente constante y voltaje constante multietapa. El bloque Battery Single Particle, que modela explícitamente los procesos electroquímicos dentro de las baterías, ofrece una plataforma para optimizar la corriente de carga rápida dentro de las restricciones que reducen la deposición de litio y la degradación de las baterías.
Más información
Temas relacionados
Explore áreas temáticas similares comúnmente asociadas con productos de MATLAB y Simulink.
Seleccione un país/idioma
Seleccione un país/idioma para obtener contenido traducido, si está disponible, y ver eventos y ofertas de productos y servicios locales. Según su ubicación geográfica, recomendamos que seleccione: .
También puede seleccionar uno de estos países/idiomas:
Cómo obtener el mejor rendimiento
Seleccione China (en idioma chino o inglés) para obtener el mejor rendimiento. Los sitios web de otros países no están optimizados para ser accedidos desde su ubicación geográfica.
América
- América Latina (Español)
- Canada (English)
- United States (English)
Europa
- Belgium (English)
- Denmark (English)
- Deutschland (Deutsch)
- España (Español)
- Finland (English)
- France (Français)
- Ireland (English)
- Italia (Italiano)
- Luxembourg (English)
- Netherlands (English)
- Norway (English)
- Österreich (Deutsch)
- Portugal (English)
- Sweden (English)
- Switzerland
- United Kingdom (English)