Prepare Model for IP Core Generation
Prepare a model or MATLAB function for IP core generation. The input is a Simulink® model or MATLAB function and a chosen hardware platform. The output is a partitioned model specifically designed for deployment for a standalone FPGA, an FPGA on-board an SoC device, or an FPGA I/O board on Simulink Real-Time™ target machine.
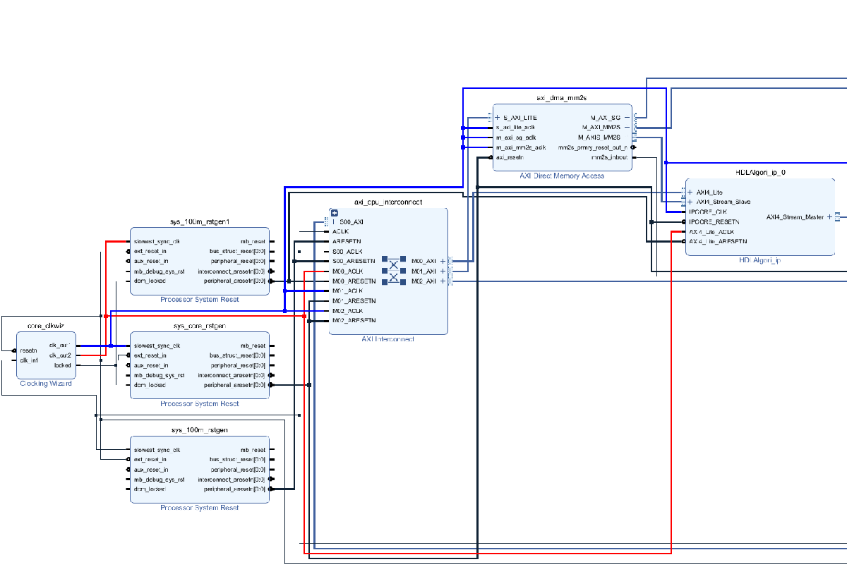
For more details on the workflow, see Targeting FPGA & SoC Hardware Overview.

Topics
- Choose an Interface for an IP Core
Choose an interface to connect your IP core to the rest of your design.
- IP Core Clock Interface
Configure clock inputs for generated IP cores.
- Model Design for AXI4 Register Interface Generation
How to design your model for AXI4 or AXI4-Lite interfaces for scalar, vector ports, bus data types, and read back values.
- IP Core Reset Interface
Learn how HDL Coder™ automatically inserts logic to synchronize global reset signal to IP core clock domain.
- Enable Clock Domain Crossing on AXI4-Lite Interfaces
Connect different clock signals to IP core DUT and AXI4-Lite interfaces. (Since R2024a)
- Map Bus Data Types to a Register Interface
This example shows how to map bus data types to a register interface, generate an HDL IP core with a AXI4 Master interface, perform matrix multiplication in an HDL IP core, and write the output result to DDR memory.
- Model Design for AXI4-Stream Interface Generation
How to design your model for AXI4-Stream vector or scalar interface generation.
- Model Design for AXI4-Stream Video Interface Generation
How to design your model for IP core generation with AXI4-stream video interfaces.
- Model Design for AXI4 Master Interface Generation
Description of AXI4 Master protocol, and how you can design your model for IP core generation with AXI4-Master interfaces.
- Model Design for Frame-Based IP Core Generation
How to design your model to use the frame-to-sample optimization for IP core generation.
- Save IP Core Generation and Target Hardware Settings in Model
This example shows how to save your IP core generation and target hardware settings in a Simulink model.








